您当前的位置:首页>>产品中心>>过滤器

阀门产品中心

  • 产品名称: SVS20双通道过滤器
  • 产品型号: SVS20-16C、SVS20-16P
  • 产品口径: DN25-DN200
  • 产品压力: 1.6MPa-6.4MPa
  • 产品材质: 铸钢、不锈钢
  • 销售电话: 021-31007323
  • 图文传真: 021-33321522
SVS20双通道过滤器概述:
SVS20双通道过滤器又称双桶自由切换式过滤器或者双桶复式过滤器,是由两只单筒过滤器及二位六通换向阀组成,结构简单,使用方便,并带旁通阀及滤芯污染堵塞发讯器,以达到保证系统安全的目的。

一、SVS20双通道过滤器产品概述:

  SVS20双通道过滤器又称双桶自由切换式过滤器或者双桶复式过滤器,是由两只单筒过滤器及二位六通换向阀组成,结构简单,使用方便,并带旁通阀及滤芯污染堵塞发讯器,以达到保证系统安全的目的。

二、SVS20双通道过滤器工作原理:

  双桶复式过滤器在工作过程中滤芯堵塞到一定程度需清洗或更换时,不需要要停止主机工作,能满足主机连续工作的需要,在不停机的情况下可清洗或更换滤芯以保证主机正常连续工作。它的工作特点是当一只过滤器滤芯堵塞需更换时,不需要停止主机工作,只要转动换向阀,另一只过滤器即可参加工作,然后更换已堵塞的滤芯。

三、SVS20双通道过滤器产品实拍:

SVS20双通道过滤器产品实拍.jpgSVS20双通道过滤器产品实拍2.jpg

四、SVS20双通道过滤器性能参数

壳体材质

碳钢

不锈钢

滤框滤网材质

不锈钢

密封件材质

耐油石棉、丁腈橡胶、聚四氟乙牺

工作温度(℃)

-40~380

-80~450

公称压力(MPa)

0.6~0.5(150Lb~600Lb)

过滤精度(目/in)

10~300

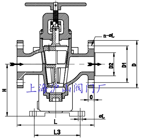
五、SVS20双通道过滤器外形尺寸:

SVS20双通道过滤器尺寸图_1.jpg


产品型号

公称通径(DN)

连接方式

外形尺寸(mm)

SVS20-16C

32

法兰

L

L1

H

H1

H3

Ø

D

D1

D2

C

L2

L3

n-ØL

290

215

175

390

140

65

140

100

76

18

320

140

 4-18

SVS20-16C50法兰290215175390140
16512599
20
320
1404-18



浏览更多产品

上一篇:SCX管道磁性过滤器 下一篇:没有了!

  【 点击返回 】


展开